Support / Contact Us »
FAQ

|3/4/5 Port Solenoid Valves
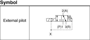
How should I use the external pilot type (Pilot type R) in VP300/500/700 series?
The external pilot type is a valve where pressure is supplied to an individual external port (X port) to switch the main valve. Accordingly, the external pilot type is suitable for supplying vacuum pressure or lower air pressure (0.2 MPa or less) or for using A port as the atmospheric releasing port, e.g. Blow-off valve type.